Products
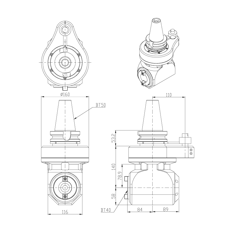
Model Name: BT50-BT40 Series| Product Type: Customized
Product introduction:
1. The housing is made of aviation aluminum, which is processed by aging and precision machining, and has the characteristics of high rigidity, high precision and long life. The minimum allowable passing diameter is фD200.
2. The main transmission shaft is made of special alloy material, processed by strict heat treatment process, and finally precisely ground to achieve high stability of transmission.
3. The gear bearings are all imported, which ensures high torque and low noise of transmission.
4. The input and output forms are diverse and flexible, not limited to BT or ER interfaces, and can meet the use of various precision processing equipment, and can be used for milling, drilling, tapping, grinding and other processes.
◎Specification model: DK90-BT50-BT40
◎Power: 22KW
◎Peak speed: 2000RPM
◎Transmission ratio: 1:1
◎Peak torque: 130Nm
◎ Milling head weight: 28kg
◎Inventory status: Always in stock
◎Non-standard customization: supported





