2YRS
MING ZHOU ACCURATE INDUSTRIAL LIMITED COMPANY
Products
AUTOMATION
6313
Speed Scope:15000~60000 rpm
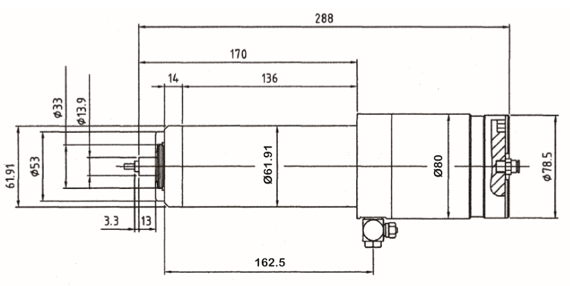
Housing Diameter:61.91mm
Length:288mm
Weight:4.5kg
Power:1.2 / 1.5kw
Voltage:220 / 380v
Current:3A
Poles:2p
Tool Change Method:Pneumatic Direct Tool Change
Clamping Range:3.175、4、6mm
Clamping Force:300N
Run Out:<10um
Balance Grade:G1
Cooling:Water
Specification



