HSU PEN INTERNATIONAL PRECISION MACHINERY CO., LTD.
Products
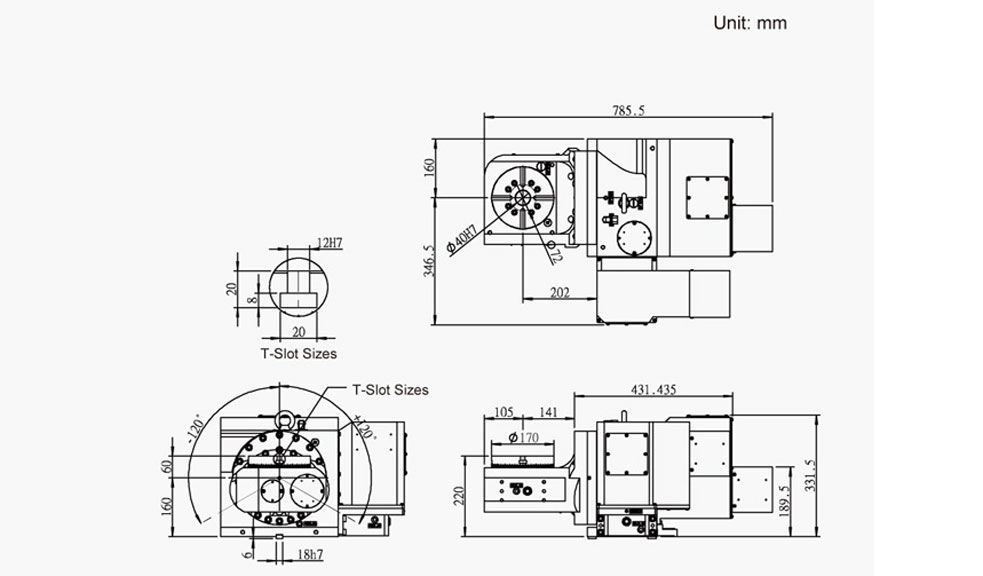
4-Axis / 5-Axis CNC Rotary Table Pneumatic Brake
FSA-170
FSA
Ø170mm table diameter.
Employs high rigidity, extra large radial and axial bearing.
The tiling axis employs the latest full circumference brake, featuring even braking force without runout. Maximum clamping area, higher clamping force, no vibration and no braking delay is required . High torque combined with compact, rigidity and enclosed structure ensure high cutting quality.
Please provide the motor appearance information according to the motor brand, which will facilitate design and planning. For details contact us.
Specification
| MODEL | UNIT | FSA-170 | |||
|---|---|---|---|---|---|
| Table diameter | mm | Ø170 | |||
| Center hole diameter | mm | Ø40H7 | |||
| Through-hole diameter | mm | Ø40 | |||
| Height of table(Horizontal) | mm | 160 | |||
| Swiveling axis center to table center | mm | 220 | |||
| Height of table(Vertical) | mm | 60 | |||
| Swiveling axis center to table center | mm | 12H7 | |||
| T-slot width of table | mm | 18h7 | |||
| Guide key width on tilting axis | mm | 0.001 | |||
| Min. setting angle | deg. |
Tilt axis |
Swiveling axis(Stra.) | ||
| Servo motor model | Motor Brand | α8i / ß12is | α4i / ß8is | ||
| FANUC | HF-154S | HF-154S | |||
| Mitsubishi | 60 | 20 | |||
| Positioning accuracy | sec. | 8 | 6 | ||
| Repeatability | sec. | 600 | 250 | ||
| Clamping torque | N.m | 35(Hyd.) | 5~7(Pneu.) | ||
| Clamping method | kg/cm² | 1:120 | 1:90 | ||
| Teeth ratio | - | 22.2 | 33.3 | ||
| Max. table speed(FANUCa motor) | rpm | 60 | |||
| Allowable load capacity | 0°Hori. | kg | 45 | ||
| 0°-90°Tilting | kg | 7000 | |||
| Allowable cutting force (Clamped status) |
F | N | Hyd.: 350 Pneu.: 200 | ||
| FxL | N.m | Hyd.: 400 Pneu.: 300 | |||
| FxL | N.m | 600 | 200 | ||
| Allowa.ble torque on worm gear | N.m | ±120 | |||
| Tilting angle | deg. | 0.20 | |||
| Weight (Motor excluded) | kg | 177 | |||



