Pneumatic Cylinders|air Cylinder
Grinding & Finishing Machines
Motorcycle-frame Body-back Mirror
Hydraulic Cylinders
Search Result
×
Chinese
EN
Toggle navigation
Tungsten Carbide
Hydraulic Cylinders
Automatic Feeding Equipment
Two-color Plastic Injection Mold
About
News
Products
E-Catalog
Video
Equipment
Contact
20
YRS
TZOONG CHENG INDUSTRY CO., LTD.
886-2-29065489
886-2-29065479
No.544-14, Jhongjheng Rd., Sinjhuang Dist., New Taipei City 242048, Taiwan
www.dma.com.tw
Products
TZOONG CHENG INDUSTRY CO., LTD.
Products
Sprung Bushing
Sprue Bushing
Ejector Pin
TD-1-SCM-21 JIS
Stop Feeding Screw
TD21-Stop Feeding Screw
Ejector Sleeve
TD6-Straight Ejector Sleeve
Guide Bushing
TD8-A & B Type Guide Bushing
Ejector Blade
TD-13-Flat Ejector
Return Pin
TD-4-SUJ-2 Return Pin
Guide Pin
TD-5-Guide Pin
Ball Plunger
TD-10-Ball Plunger
Parting Locks
TD-11-Parting Locks
Spring
TD-12Y-YF Lightest Load Spring
Nitrogen Gas Spring
TD-12N-0150-TSM
Sprung Bushing
TD-14-Sprue Bushing
Locating Ring
TD2-I-Locating Ring
Stop Pin
TD16-Stop Pin
Core Pin
TD17-Core Pin
Cooling Circuit
TD6-Tapered Interlock
Taper Block Set
TD19-Taper - KY Type
Date Indicator
TD20-Date Indicator
Stripper Bolt
TD21C-Stripper Bolt
Puller Bolt
TD21D-Puller Bolt A Type
Cooling Circuit
TD22-Cooling Circuit
Air Jet Valve
TD23-Air Jet Valve
Gas Vent
TD24-Gas Vent
Rib-Tapered Electrode Plate
TD25-Rib-Tapered Electrode Plate
Slide Unit
TD26-Slide Unit
Oil-less Wear Plate
TD27-Oil-less Wear Plate
Spiral Tube for Mold Cooling System
TD28-Spiral Tube for Mold Cooling System
Sprung Bushing
Sprue Bushing
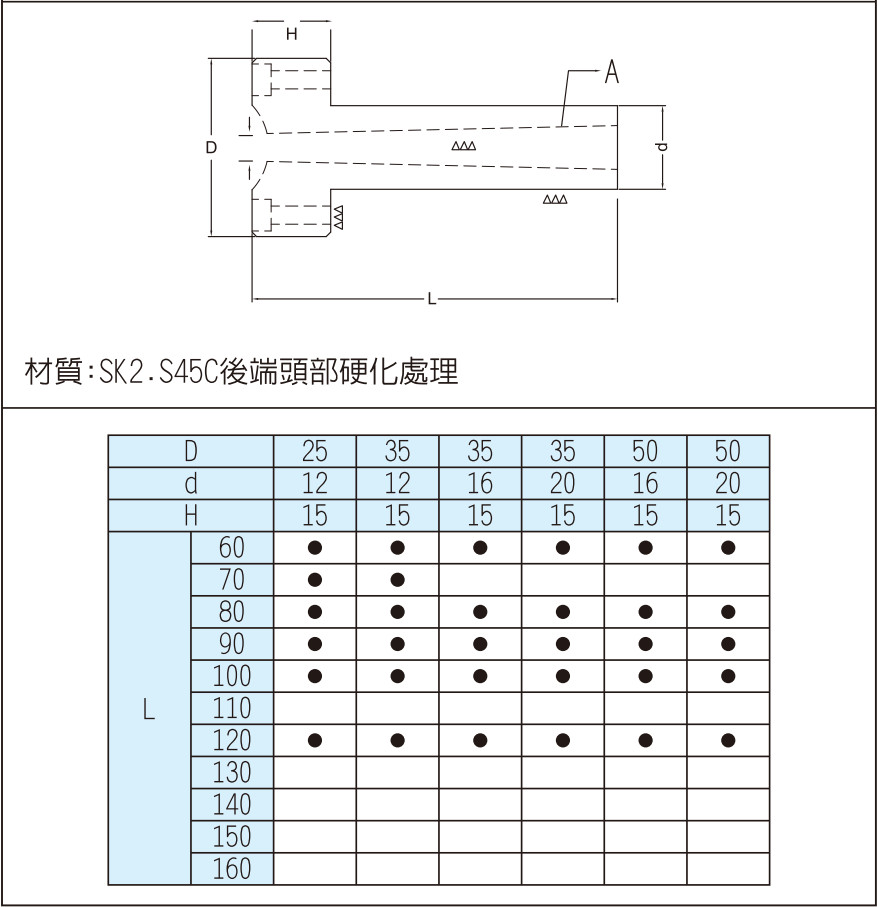
TD-14
MATERIAL:SK2.S45C
Contact Supplier
Add to Favorites
Specification
Specifications
Mold
Machine
Vehicle
Contact Supplier
Browsing History
Scroll Up
EZB2B.TW uses cookies,IP to collect data and continually improve the website. By continuing to use this website, you must agree to the use of cookies and IP.