3YRS
ATOLI MACHINERY CO., LTD.
Products
Spin Riveting Machine
Hydraulic Riveting Machine
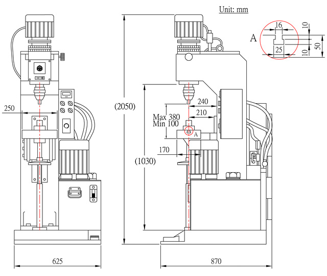
TC-155
- Steel framed . lower center of gravity, strong steel flexibility. the type height adjusting device. It`s specially suitable for the situation of greatly variable working time.
- Plus a large cooling system, the temperature of the oil is hard to raise and the pressure is hard to be decreased during the long-time working..
- The 2-speed designed collet will reduce the time of waiting and increase the production capacity.
- Strong horse power, tight combination ability the longest solid rivet is Ø25mm.
Specification
|
Specifications: |
||||||||||||||||||||||
|
||||||||||||||||||||||



