3YRS
銳格精機股份有限公司
REGAL MACHINERY MFG. CO., LTD.
REGAL MACHINERY MFG. CO., LTD.
產品介紹
規格數據

- 產品規格
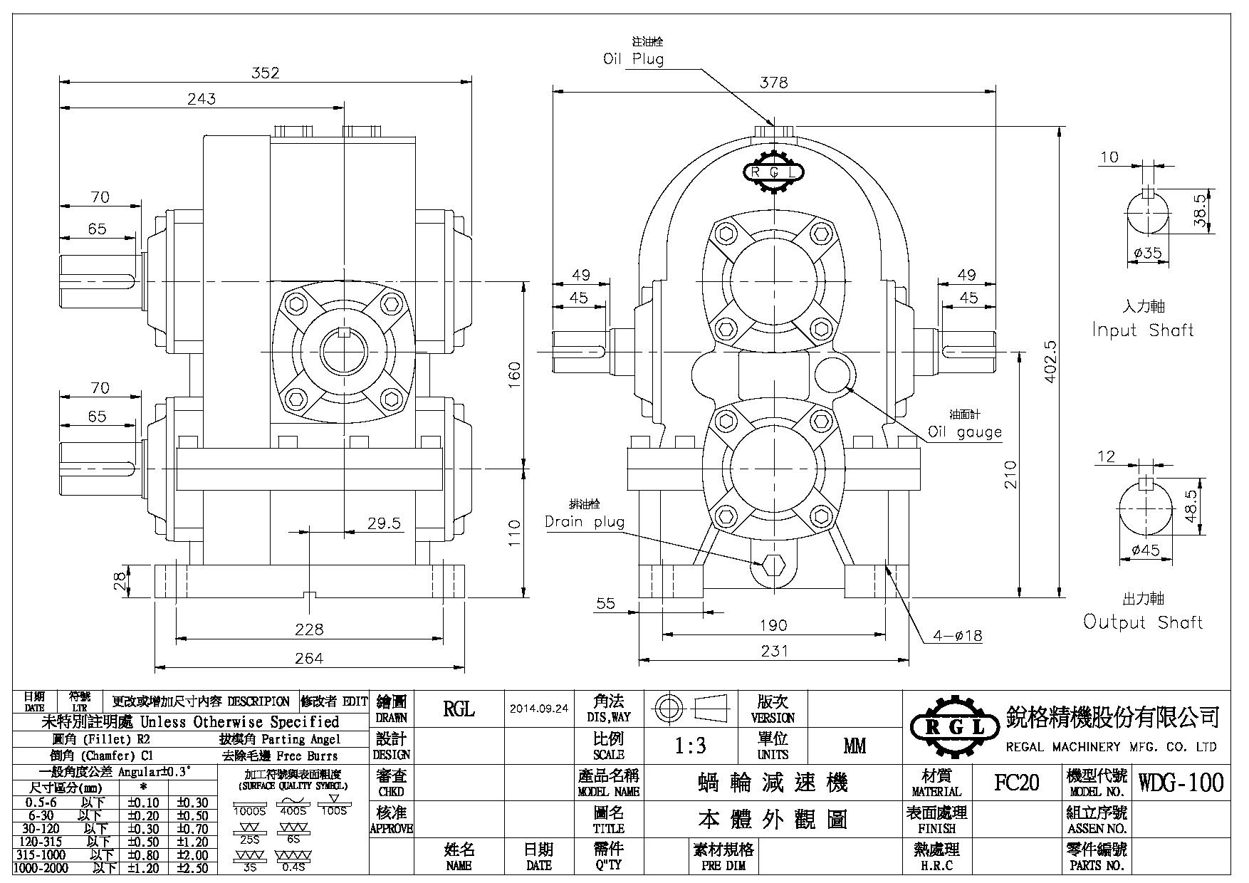
| 型號 | LL | L | NN | N | D | D1 | D2 | D3 | EE | E | II | I | G | K | J | JI | H |
|---|---|---|---|---|---|---|---|---|---|---|---|---|---|---|---|---|---|
| 70 | 296 | 148 | 160 | 232.5 | 285.5 | 160 | 90 | 105 | 150 | 196 | 76 | 187 | 20 | 15 | 18 | 10 | 5 |
| 80 | 328 | 164 | 171 | 250 | 332 | 185 | 105 | 120 | 170 | 216 | 86 | 207 | 23 | 15 | 23 | 10 | 5 |
| 100 | 368 | 184 | 225 | 334 | 402.5 | 210 | 110 | 160 | 190 | 231 | 114 | 264 | 28 | 18 | 29.5 | 10 | 5 |
| 110 | 416 | 208 | 242 | 351 | 430 | 211 | 125 | 154 | 210 | 250.5 | 114 | 264 | 26 | 18 | 29.5 | 10 | 5 |
| 120 | 445 | 222.5 | 248.5 | 357 | 531.5 | 255 | 135 | 200 | 242 | 290 | 114 | 264 | 28 | 18 | 30.5 | 10 | 5 |
| 135 | 471 | 235.5 | 299 | 417.5 | 623 | 285 | 150 | 250 | 290 | 342 | 142 | 332 | 30 | 18 | 50.5 | 12 | 5 |
| 160 | 680 | 340 | 353 | 486 | 710 | 360 | 200 | 250 | 320 | 390 | 175 | 400 | 40 | 22 | 65 | 12 | 5 |
| 型號 | 入力軸 | 出力軸 | ||||||||
|---|---|---|---|---|---|---|---|---|---|---|
| SS | S | W | X | Y | O | P | M | Q | R | |
| 70 | 48 | 43 | 22 | 7 | 25 | 45 | 40 | 26 | 8 | 29.4 |
| 80 | 49 | 42 | 28 | 7 | 31 | 40 | 38 | 32 | 10 | 35.2 |
| 100 | 49 | 45 | 35 | 10 | 38.3 | 52 | 48 | 45 | 1 | 48.2 |
| 110 | 48 | 45 | 35 | 10 | 38.3 | 70 | 65 | 45 | 12 | 48.2 |
| 120 | 57.5 | 52 | 35 | 10 | 38.3 | 75 | 65 | 50 | 15 | 53.9 |
| 135 | 58 | 53 | 40 | 10 | 43.4 | 75 | 70 | 55 | 16 | 59.8 |
| 160 | 76 | 70 | 50 | 12 | 53.3 | 85 | 80 | 65 | 18 | 69.7 |
軸配置及旋轉方向

