1YRS
OUNI WORLD INDUSTRY CO., LTD.
Products
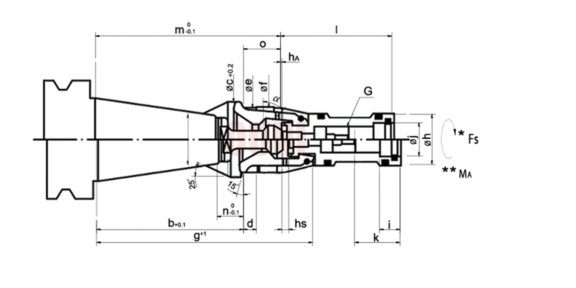
Spindle Clamping Systeams
OTT Pull stud type clamping units
1.Suitable for use on spindles.
2.Strictly selected for steel, strength, durability, size requirements.
3.Durable cycle times are designed for 2 million usage times.
4.Claw type and tension can be designed and manufactured by customers.
Specification




